
流量-扬程曲线图
序号 | 类别 | 规格 |
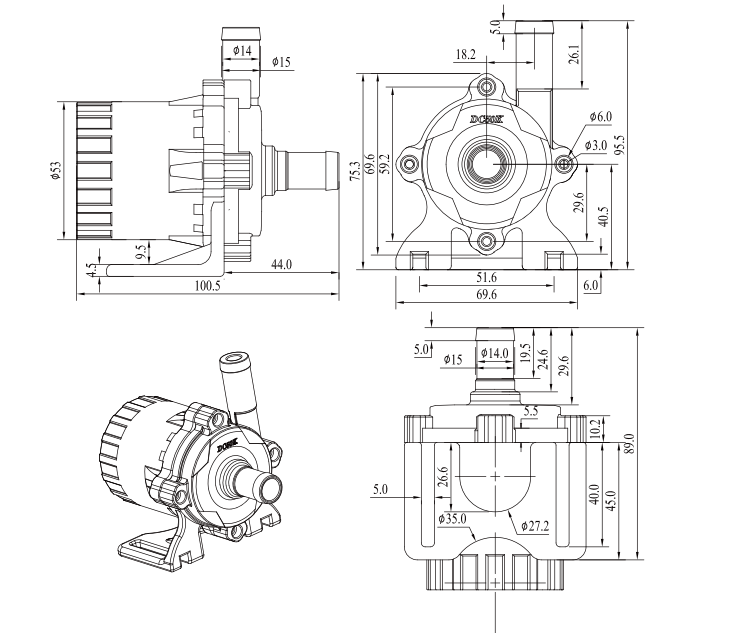
1 | 泵体尺寸及重量 | 100.5mmx95.5mmx69.6mm;480g |
2 | 水泵出水口外径 | 14mm |
3 | 水泵进水口外径 | 14Mm |
4 | 驱动方式 | 无刷直流磁力隔离 (三相无传感器程序驱动) |
5 | 水泵壳体材料 | PA66+30%GF (可更换) |
6 | 使用方式 | 可长时间连续运转 |
7 | 使用介质 | 水,油,以及其他酸碱溶液 |
8 | 最大工作温度 | 60℃【两相/T系列】或者100℃【三相/S或A系列】 |
9 | 功耗 | 2.5W~45.6W【两相】;2.5W~86.4W【三相】 |
10 | 额定电压 | 12Vdc或 24Vdc |
11 | 使用电压 | 5Vdc ~ 14Vdc(最大) 或5Vdc ~ 26Vdc(最大) |
12 | 最大负载电流 | 2.0A【两相】or 4.5A【三相】 |
13 | 最大流量 | 18L/MIN【两相】; 23L/MIN【三相】 |
14 | 最大静态扬程 | 9M【两相】;16M【三相】 |
15 | 噪音 | <40db > |
16 | 防水等级 | IP68(可潜水安装) |
17 | 寿命 | 大于30000小时 |
18 | 供电方式 | 太阳能板,蓄电池,适配器,电源模块 |
19 | 保护功能(选配) | 可选配缺水保护、空转保护、堵转保护、卡死保护 |
20 | 调速功能(调功率)(选配) | 可选配PWM调速,0~5V模拟信号调速,电位器调速 |
21 | 速度反馈(选配) | 脉冲信号, 水泵的实际转速为脉冲信号频率的30倍 |
22 | 水泵特点 | 1、体积小,效率高,寿命长,噪音低; 2、陶瓷轴芯,碳纤维石墨轴套超级耐磨; 3、死亡率低于0.5% 4、无碳刷无磨损,采用电子换向,三相直流水泵采用智能程序驱 动,软启动无冲击,自带保护功能; 5、软启动可直接连接太阳能板供电; 6、采用耐高温材料,三相水泵可浸泡100度开水长期运转; 7、水电隔离,环氧树脂灌封,完全防水,防漏电; |
三相水泵特点:
低压直流安全可靠
采用三相无刷无感正弦波控制技术
消除了高频电磁噪声平稳静音
泵体与驱动可分离耐高温
磁力隔离设计防泄漏,防水等级IP68。
耐酸碱盐腐蚀,耐油,有机溶剂等各类液体介质(要事先咨询)
可定制恒功率(例如12V 80W水泵,电压12V-24V之间变化恒定功率80W)
可定制恒转速(负载变化的时候保持转速不变)
基于电流检测的精准空转保护卡死保护(可编程保护机制)
软启动消除了尖峰电压,降低了启动电流
音乐喷泉等高频启停对水泵没有寿命影响
可为太阳能供电适配MPPT 最大功率点跟踪避免光线弱的时候启动不良。
可对于各种应用环境要求定制水泵以及水泵控制系统
| 型号 | 电压 | 最大负载电流 | 最大扬程 | 最大流量 | 最大功耗 |
| V (dc) | A | m | L/H | W | |
DC50K-1260T | 12 | 2.0 | 6.0 | 900 | 24 |
DC50K-1260S | |||||
DC50K-1260A | |||||
DC50K-12120S | 12 | 4.5 | 12 | 1260 | 54 |
DC50K-12120A | |||||
DC50K-2490T | 24 | 2.0 | 9.0 | 1080 | 48 |
DC50K-2490S | |||||
DC50K-2490A | |||||
DC50K-24160S | 24 | 3.60 | 16 | 1380 | 86.4 |
DC50K-24160A | |||||
| 选型注意事项 |
| ||||
